
在线咨询咨询热线:88888888
咨询客服,我们快速为您报价,或者提供技术支持!
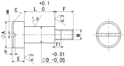
请按照选型步骤①-⑥选择型式和参数后进行订购。
订货举例:型式(①Type.②D)-③L-④A-⑤E-⑥F
LCFAS4-L6-A8-E4-F3
| 一字槽 | 材质 | 表面处理 |
| LCFATY | S45C | 四氧化三铁保护膜 |
| LCFAS | SUS303 | / |
| D | L 指定单位0.1mm | A | E 指定单位0.1mm | F 指定单位1mm |
| 4 | 5.0~20.0 | 6 8 | 2.0~4.0 | 3~4 |
| 5 | 8 10 | 3~5 | ||
| 6 | 10 12 | 2.5~4.5 | 4~8 | |
| 8 | 12 16 | 5~10 | ||
| 10 | 16 18 20 | 3.0~5.0 | 6~12 | |
| 12 | 18 20 22 24 |
8~12 |

扫一扫,关注我们