
在线咨询咨询热线:88888888
咨询客服,我们快速为您报价,或者提供技术支持!
| 型号 | 材质 | 表面处理 |
| ZJWFT | S45C | - |
| ZJWFTY | 四氧化三铁保护膜 | |
| ZJWFTN | 无电解镀镍 | |
| ZJWFS | SUS303 | - |
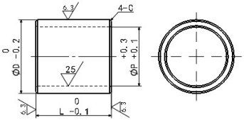
| 型号 |
P
(P尺寸3以上指定单位0.5mm)
|
D | L | C |
|
ZJWFT
ZJWFTY
ZJWFTN
ZJWFS
|
(选择)
2.0
2.6
3.0~90.0
(指定单位0.5mm)
|
(选择)
2.0
2.6
3.0~90.0
(指定单位0.5mm)
|
10.0~100
(指定单位0.1mm)
|
D16.5以下C为0.1~0.2 |
|
D16.5以上C为0.5以下 |

扫一扫,关注我们