
在线咨询咨询热线:88888888
咨询客服,我们快速为您报价,或者提供技术支持!
·
· 请按照选型步骤①-④选择型式和参数后进行订购。
订货举例:型式(①Type.②D)-③P-④L
BCAKRYP8-P4-L10
|
Type |
材质 |
表面处理 |
硬度 |
|
|
D尺寸p6 |
D尺寸m6 |
|||
|
BCAPKRY |
BCAMKRY |
SKS3 |
四氧化三铁保护膜 |
55~60HRC |
|
BCAPKR |
BCAMKR |
SKS3 |
/ |
55~60HRC |
|
BCAPKRN |
BCAMKRN |
SKS3 |
无电解镀镍 |
55~60HRC |
|
BCAPCRN |
BCAMCRN |
SUS440C |
无电解镀镍 |
50~55HRC |
|
BCAPS |
BCAMS |
SUS303 |
/ |
/ |
·
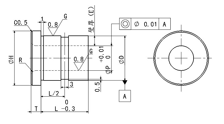
|
型式 |
D |
D公差 |
P |
L |
R |
||
|
Type |
p6 |
m6 |
|||||
|
D尺寸p6 |
D尺寸m6 |
8 |
+0.024 |
+0.015 |
4.00~4.50 |
10.0~13.0 |
1.0 |
|
10 |
4.00~6.50 |
10.0~20.0 |
|||||
|
12 |
+0.029 |
+0.018 |
6.00~8.50 |
2.0 |
|||
|
15 |
8.00~10.50 |
10.0~40.0 |
|||||
|
18 |
10.00~12.50 |
||||||
|
20 |
+0.035 |
+0.021 |
12.00~13.50 |
||||
|
22 |
|||||||
|
25 |
13.00~15.50 |
||||||
|
26 |
15.00~16.50 |
||||||
|
30 |
16.00~20.50 |
12.0~60.0 |
3.0 |
||||
|
35 |
+0.042 |
+0.025 |
20.00~25.00 |
||||
· !L≤PX3.0

扫一扫,关注我们