
在线咨询咨询热线:88888888
咨询客服,我们快速为您报价,或者提供技术支持!
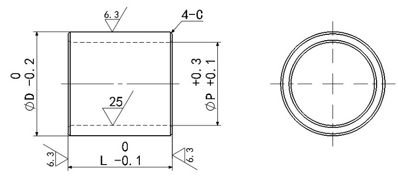
| 型号 | 材质 | 表面处理 |
| ZJPFT | S45C | - |
| ZJPFTY | 四氧化三铁保护膜 | |
| ZJPFTN | 无电解镀镍 | |
| ZJPFS | SUS303 | - |
| 型号 |
P (P尺寸3以上指定单位0.5mm) |
D | L | C |
|
ZJWFT ZJWFTY ZJWFTN ZJWFS |
(选择) 2.0 2.6 3.0~90.0 (指定单位0.5mm) |
4.0~20.0 (指定单位0.5mm) 21~100 (指定单位1mm) |
10.0~100 (指定单位0.1mm) |
D16.5以下C为0.1~0.2 |
| D16.5以上C为0.5以下 | ||||

扫一扫,关注我们