
在线咨询咨询热线:88888888
咨询客服,我们快速为您报价,或者提供技术支持!
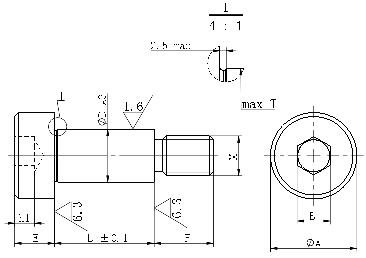
请按照选型步骤①-⑤选择型式和参数后进行订购。
订货举例:型式(①Type.②D)-③L
标准型 LDGGR4-L10
订货举例:型式(①Type.②D)-③L-④F-⑤M
自由指定型 LDFGGR4-L10-F5-M3
| Type | D公差 | 相当材质 | 硬度 | 强度分类 | |
| 标准型 | LDGGR | g6 | SCM435 | 33~38HRC | 10.9 |
| 自由指定型 | LDFGGR | ||||
| 自由指定型 | LDFGS | 相当于SUS304 | / | A2-50 | |
| 自由指定型 | LDFHGR | h7 | SCM435 | 33~38HRC | 10.9 |
| 自由指定型 | LDFHS | 相当于SUS304 | / | A2-50 |
| D | L指定单位0.1mm | F指定单位0.5mm | M粗牙螺纹 |
| 4 | 10—40 | 3~8 | 3 4 |
| 4.5 | 3~8 | 3 4 | |
| 5 | 4~10 | 3 4 5 | |
| 5.5 | 4~10 | 3 4 5 | |
| 6 | 5~12 | 4 5 6 | |
| 6.5 | 5~12 | 4 5 6 | |
| 8 | 6~16 | 5 6 8 | |
| 10 | 8~20 |
6 8 10 |

扫一扫,关注我们