
在线咨询咨询热线:88888888
咨询客服,我们快速为您报价,或者提供技术支持!
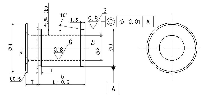
请按照选型步骤①-③选择型式和参数后进行订购。
订货举例:型式(①Type.②P)-③L
BSCPKR2-L5
·
|
Type |
材质 |
表面处理 |
硬度 |
|
|
D尺寸p6 |
D尺寸m6 |
|||
|
BSCPKR |
BSCMKR |
SKS3 |
/ |
58-61HRC |
·
·
|
型式 |
p公差(G6) |
L选择 |
D |
H |
壁厚(E) |
T |
R |
D容差 |
||
|
Type |
P |
D公差(p6) |
D公差(m6) |
|||||||
|
(p6) |
2 |
+0.008 |
5 6 8 10 12 |
5 |
9 |
1.5 |
2.5 |
0.8 |
+0.002 |
+0.012 |
|
3 |
5 6 8 10 12 |
7 |
11 |
2 |
2.5 |
0.8 |
+0.024 |
+0.015 |
||
|
4 |
+0.012 |
5 6 8 10 12 15 16 20 |
8 |
12 |
2 |
3 |
1 |
|||
|
5 |
5 6 8 10 12 15 16 20 |
10 |
14 |
2.5 |
3 |
1 |
||||
|
6 |
5 6 8 10 12 15 16 20 25 |
10 |
14 |
2 |
3 |
1 |
||||
|
8 |
+0.014 |
5 6 8 10 12 15 16 20 25 |
12 |
16 |
2 |
4 |
2 |
+0.029 |
+0.018 |
|
|
10 |
6 8 10 12 15 16 20 25 |
15 |
19 |
2.5 |
4 |
2 |
||||
|
12 |
+0.017 |
8 10 12 15 16 20 25 30 |
18 |
22 |
3 |
4 |
2 |
|||
|
13 |
10 12 15 16 20 25 30 |
22 |
26 |
4.5 |
5 |
2 |
+0.035 |
+0.021 |
||
|
15 |
12 15 16 20 25 30 |
25 |
30 |
5 |
5 |
2 |
||||
|
16 |
12 15 16 20 25 30 |
26 |
30 |
5 |
5 |
2 |
||||
|
20 |
+0.020 |
12 15 16 20 25 30 |
30 |
35 |
5 |
6 |
3 |
|||
|
25 |
16 20 25 30 35 |
35 |
40 |
5 |
6 |
3 |
+0.042 |
+0.025 |
||
·

扫一扫,关注我们