和我们在线交谈!

欢迎光临乐思体育(深圳)有限公司

乐思体育(深圳)有限公司

17年专注数控车床加工、自动车床加工CNC加工,车铣复合精密零件

全国咨询热线8888888803388888888

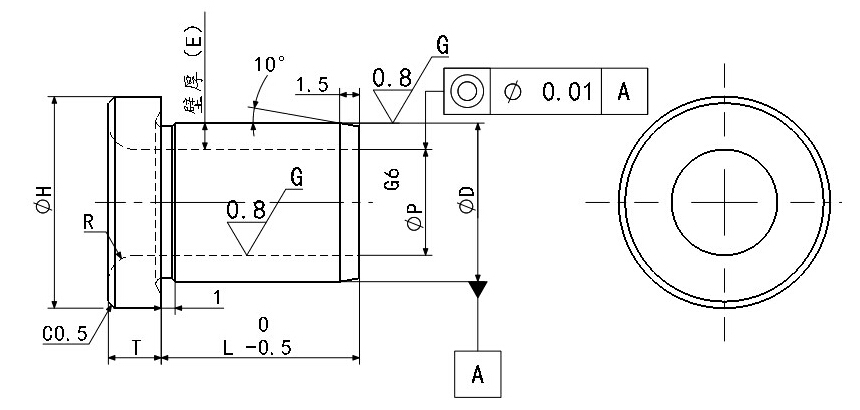
衬套
全国服务热线88888888
  • 带肩薄壁型自由指定型D尺寸p6
  • 带肩薄壁型自由指定型D尺寸p64.jpg
  • 带肩薄壁型自由指定型D尺寸p63.jpg
  • 带肩薄壁型自由指定型D尺寸p6c.jpg

带肩薄壁型自由指定型D尺寸p6 类别:衬套

产品简介:乐思体育专注数控车床加工,自动车床加工CNC加工,车铣复合精密零件,专业生产各类精密零件,涉及车削、冷镦、冲压等领域,集设计、研发、制造、销售为一体。专业稳定的技术、生产和品质团队,为客户提供高难度、新材料,耐腐蚀、耐高温等产品解决方案,实现进口精密零件完美替代,成...

在线咨询咨询热线:88888888

咨询客服,我们快速为您报价,或者提供技术支持!

产品介绍



  • 暂未有详细信息
  • 请按照选型步骤①-④选择型式和参数后进行订购。

    订货举例:型式(①Type.②D)-③P-④L

    BSUFPKRY7-P3.6-L3
     
    Type 材质 表面处理 硬度
    D尺寸p6 D尺寸m6
    BSUFPKRY BSUFMKRY SKS3 四氧化三铁保护膜 55~60HRC
    BSUFPKR BSUFMKR SKS3 / 55~60HRC
    BSUFPKRN BSUFMKRN SKS3 无电解镀镍 55~60HRC
    BSUFPCR BSUFMCR SUS440C / 50~55HRC
     
    型式 D D容差P P
    指定单位0.01mm
    L
    指定单位0.1mm
    壁厚(E) R H T
    Type D公差(p6) D公差(m6)
    D尺寸p6
    BSUFPKRY
    BSUFPKR
    BSUFPKRN
    BSUFPCR
    D尺寸m6
    BSUFMKRY
    BSUFMKR
    BSUFMKRN
    BSUFMCR
    7 +0.024
    +0.015
    +0.015
    +0.006
    3.51~5.00 3.0~6.0 1.00~1.74 0.5 11 2.5
    8 4.51~6.00 3.0~10.0 1.00~1.74 0.5 12 3
    9 4.51~6.50 1.25~2.24 0.5 13.5 3
    10 6.51~8.00 3.0~15.0 1.00~1.74 0.5 14 3
    11 +0.029
    +0.018
    +0.018
    +0.007
    8.00~9.00 1.00~1.50 0.5 15 3
    12 8.51~9.00 1.50~1.74 0.5 16 4
    13 8.51~10.00 5.0~35.0 1.50~2.24 0.5 17 4
    14 9.00~11.00 1.50~2.50 0.5 18 4
    15 10.51~12.00 1.50~2.24 0.5 19 4
    17 10.51~13.00 2.00~3.24 1.0 21 5
    18 12.51~14.00 2.00~2.74 1.0 22 5
    20 +0.035
    +0.022
    +0.021
    +0.008
    13.51~15.00 2.50~3.24 1.0 26 5
    22 13.51~17.00 2.50~4.24 1.0 26 5
    25 15.51~19.00 3.00~4.74 1.0 30 5
    26 16.51~20.00 3.00~4.74 1.0 30 5
    30 20.51~24.00 3.00~4.74 1.5 35 6
    35 +0.042
    +0.026
    +0.025
    +0.009
    25.01~29.00 5.0~50.0 3.00~4.99 1.5 40 6
     
    P≤3.59时,L+T≤Px2.5  P≥3.6时,L+T≤Px3.0