
在线咨询咨询热线:88888888
咨询客服,我们快速为您报价,或者提供技术支持!
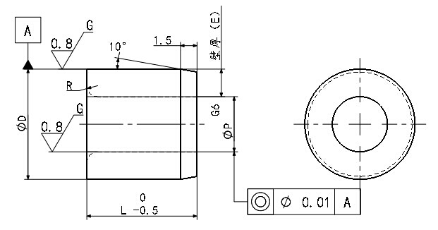
· 请按照选型步骤①-③选择型式和参数后进行订购。
订货举例:型式(①Type.②P)-③L
BAUUHR3-L6
|
Type |
材质 |
表面处理 |
硬度 |
|
D尺寸m6 |
|||
|
BAUUHR |
SUJ2 |
/ |
58~61HRC |
|
BAUKHR |
SUJ2 |
无电解镀镍 |
58~61HRC |
·
|
型式 |
P公差 |
L选择 |
壁厚(E) |
R |
D |
D容差 |
|||||
|
Type |
P |
无表面处理 |
无电解镀镍 |
D公差(p6) |
D公差(m6) |
||||||
|
(m6) |
3 |
G6 |
+0.008 |
H7 |
+0.01 |
6 8 10 12 |
1 |
0.5 |
5 |
+0.02 |
+0.012 |
|
4 |
+0.012 |
+0.012 |
6 8 10 12 15 16 |
1 |
0.5 |
6 |
|||||
|
5 |
6 8 10 12 15 16 20 |
1 |
0.5 |
7 |
+0.024 |
+0.015 |
|||||
|
6 |
G6 |
6 8 10 12 15 16 20 |
1 |
0.5 |
8 |
||||||
|
8 |
+0.014 |
+0.014 |
6 8 10 12 15 16 20 |
1 |
0.5 |
10 |
|||||
|
10 |
6 8 10 12 15 16 20 |
1.5 |
0.5 |
13 |
+0.029 |
+0.018 |
|||||
|
12 |
+0.017 |
+0.017 |
8 10 12 15 16 20 |
1.5 |
0.5 |
15 |
|||||
|
13 |
10 12 15 16 20 |
2 |
1 |
17 |
|||||||
|
15 |
12 15 16 20 |
2 |
1 |
19 |
+0.035 |
+0.021 |
|||||
|
16 |
12 15 16 20 25 |
2.5 |
2 |
21 |
|||||||
|
20 |
+0.020 |
+0.020 |
12 15 16 20 25 |
3 |
2 |
26 |
|||||
|
25 |
20 25 |
3 |
2 |
31 |
+0.042 |
+0.025 |
|||||
·
·

扫一扫,关注我们