
在线咨询咨询热线:88888888
咨询客服,我们快速为您报价,或者提供技术支持!
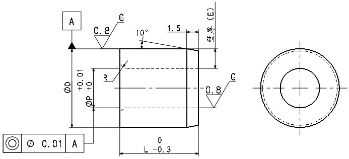
· 请按照选型步骤①-④选择型式和参数后进行订购。
订货举例:型式(①Type.②D)-③P-④L
BAUFMJR7-P4-L6
|
Type |
材质 |
表面处理 |
硬度 |
|
|
D尺寸m6 |
D尺寸p6 |
|||
|
BAUFMJR |
BAUFPJR |
SUJ2 |
/ |
58~61HRC |
|
BAUFMJRN |
BAUFPJRN |
SUJ2 |
无电解镀镍 |
58~61HRC |
·
|
型式 |
D容差 |
D容差 |
P |
L |
壁厚(E) |
R |
|
|
Type |
D |
D公差(m6) |
D公差(p6) |
||||
|
|
7 |
+0.015 |
+0.024 |
3.51~5.00 |
5.0~8.0 |
1.00~1.74 |
0.5 |
|
|
8 |
4.51~6.00 |
5.0~13.0 |
||||
|
|
9 |
4.51~6.50 |
1.25~2.24 |
||||
|
|
10 |
6.51~8.00 |
5.0~20.0 |
1.00~1.74 |
|||
|
|
11 |
+0.018 |
+0.029 |
8.00~9.00 |
1.00~1.50 |
||
|
BAUFMJR |
12 |
8.51~9.00 |
1.50~1.74 |
||||
|
BAUFMJRN |
13 |
8.51~10.00 |
1.50~2.24 |
||||
|
|
14 |
9.00~11.00 |
1.50~2.50 |
||||
|
|
15 |
10.51~12.00 |
5.0~40.0 |
1.50~2.24 |
|||
|
BAUFPJR |
17 |
10.51~13.00 |
2.00~3.24 |
1.0 |
|||
|
BAUFPJRN |
18 |
12.51~14.00 |
2.00~2.74 |
||||
|
|
20 |
+0.021 |
+0.035 |
13.51~15.00 |
2.50~3.24 |
||
|
|
22 |
13.51~17.00 |
2.50~4.24 |
||||
|
|
25 |
15.51~19.00 |
3.00~4.74 |
||||
|
|
26 |
16.51~20.00 |
|||||
|
|
30 |
20.51~24.00 |
1.5 |
||||
|
|
35 |
+0.025 |
+0.042 |
25.01~29.00 |
5.0~60.0 |
3.00~4.99 |
|
·
!P≤3.59时,L≤PX2.5 P≥3.6时,L≤Px3.0

扫一扫,关注我们