和我们在线交谈!

欢迎光临乐思体育精密(深圳)有限公司

乐思体育精密(深圳)有限公司

17年专注数控车床加工、自动车床加工CNC加工,车铣复合精密零件

全国咨询热线8888888803388888888

车铣复合加工
全国服务热线88888888
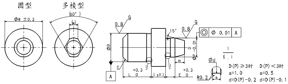
  • 定位销-带肩型标准型多棱型
  • 1626767320140975.jpg
  • 1626767320885257.jpg

定位销-带肩型标准型多棱型 类别:车铣复合加工

产品简介:

在线咨询咨询热线:88888888

咨询客服,我们快速为您报价,或者提供技术支持!

产品介绍